Contact

Instruction Manual and Data Sheet Digital Hot Block Model HB-80-195

1.00 General Specifications and data:

1.01 Controller unit only:

Temperature Range Ambient +1C to 225C

Temperature display resolution 0.1C 4 digit LED

Temperature uniformity +/-0.2C (at 37C in block)

Temperature accuracy +/-0.3C

Control PI Microprocessor controller

I/O RS232 unidirectional

1.02 HB-80-195 Hot Block: 

Size: L14” X W11” X H5.25+1”leg

Voltage: 208-240V

Watt: 3000W @220V

Amp: 13.6A @220V

Hertz: 50-60

Weight: 13.5 kg with control box.

Service temperature: 50-215 C degree.

Maximum temperature difference in the Hot Block cavities of the set temperature +-5 C degree.

Warming time to 195 C degree from room temperature 1.0 hour max or less. (No tubes in the cavities and hood fan off) Cable connector on the long side. Optional on the left or right side.

Note: Also works perfectly @ 208V as most available industrial power in north America.

2.00 Safety Precautions:

- Do not use this product in an explosive environment

- Do not use in the presence of flammable or combustible material

- Do not heat substances that react violently when heated

- Do not touch block when hot or when unit is heating.

- Do not touch area around block or block well when unit is hot.

- Do not spill liquids into the well area.

- Connect unit only to a properly grounded outlet

Caution: HOT Surfaces that can burn or cause injury.

Use of this product in any manner not specified by the manufacturer or modification

of the product may cause injury and/or may void the warranty.

3.00 Installation: 

Upon unpacking Digital Hot Block, inspect for damages. Shipping damage is the responsibility of the carrier. Inspect that the following are present: User’s manual, and controller user manual. Select a location that is subject to drafts or moving air from heating block.

Place the unit on a flat, preferably non-flammable surface. Allow sufficient room around the unit for access. Six inches minimum on all sides is suggested.

Hardwire the unit into a properly grounded ground fault protected outlet.

4.00 Controls:

- On / Off rocker switch. front of unit. Turns primary power on and off

- LEDs, red and green temperature displays and the red LED “OUTPUT”

illuminates when unit is in heating mode.

-Green display indicate the set temperature in C degree.

-Red display indicate the actual temperature in C degree.

- “Output” LED, red. Illuminates when unit is in heating mode and unit is actually

applying heat to the block. This LED is on continuously during heat-up and cycles

on and off when the unit is at the set temperature

- “Please read controller owner manual for more setting.

5.00 Operation: 

Power the unit up with the On / Off switch at the front of the unit. The unit powers Up. Use the UP arrow and DOWN arrow keys to set the temperature to the desired operating temperature.

Enter the setting mode use the controller`s manual instruction.

The unit remembers the last set temperature at power down. However, when first heating up the block, the unit will apply full heat to the block to the same temperature. On this initial heat-up the display may will show a little temperature overshoot and then settle back to the set temperature.

6.00 Calibration:

Calibration allows the unit temperature display to be adjusted or matched to the temperature of a single sample or to a calibrated thermometer making an independent temperature measure of the block.

The calibration function can help you match the display temperature to your actual sample temperature.

Please use for this process the controller user manual.

7.00 Troubleshooting Guide: 

Display / LEDs do not light up

1. Check power outlet

2. Check ON / OFF switch

3. Call service

Unit not heating in on position and display is on output LED is not illuminated.

1.Set the temperature point over the room temp.

2. Make sure the unit is not in the setting stage.

3. Make sure the unit is in “RUN” or “SET” position?

4.Call services

To open and servicing electronic parts, have a

qualified service technician and call manufacturer for more instructions.

8.00 Cleaning and Maintenance:

Make sure the block are cool and the power cord disconnected before performing any cleaning or maintenance. The block may be cleaned with

a moist cloth containing a mild soap solution. Do not immerse bath in water or any liquid.

The blocks may also be cleaned in a mild soapy solution. Be sure that all items have thoroughly dried before attempting to connect the cord or use the unit.

In the event larger amount of liquid is accidentally spilled into , disconnect and minimize liquid contact with the internal components.

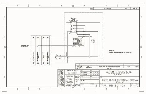
9.00 Electric Diagram: 

Frequently Asked Questions

Got questions about our detailing services? Find quick answers to common queries in our FAQ section below!

Which industries does Aurum Resources Inc. serve?

We serve assay, geochemical, metallurgical, chemical laboratory, mining, electronics, and industrial automation industries.

Do you provide custom fabrication services?

Yes, we specialize in custom design, machining, and fabrication of metals and engineered plastics according to client specifications.

What materials do you work with?

We work with titanium (all grades), stainless steel, aluminum, nickel-based alloys, precious metals, Teflon, nylon, Delrin, and other engineered materials.

Can you manufacture high-temperature laboratory equipment?

Yes, we design and fabricate high-heat equipment, including heating blocks, crucible trays, and specialized components for demanding applications.

Do you design and build CNC or control systems?

Yes, we offer design, engineering, and fabrication of numerical control (CNC) systems tailored to industrial requirements.

What makes Aurum Resources Inc. different from other machine shops?

We combine extensive machining expertise with real laboratory experience. This allows us to understand client requirements and deliver precise, application-focused solutions.

Contact Us

(604) 465-4366

#3-20172 113B Avenue, Maple Ridge BC, V2X 0Y9, Canada